Jump to content

HOW TO: Battery feed through post installation, reduce the clutter in the battery box. Lithium batteries ONLY.


Recommended Posts

Posted (edited)

This is a thread I was very hesitant to start, it is pretty complicated, it fundamentally changes the factory design, and it is not for the faint of heart, it involves drilling big holes and reworking a lot of cables. But a couple of members have expressed interest, so I will post my pics and comments, with this caution: don't attempt this if your trailer is still under the initial 1 year warranty. And definitely don't attempt this if you are not comfortable making high quality cables.

PLEASE UNDERSTAND: This mod is designed for the standard 2000 watt inverter (with 250 amp main fuse), a larger one will possibly draw too much current, especially if you run the air conditioning!!! This will work for up to three Battle Born 100 AH lithiums, I have no idea if it will be OK with other brands or models.

Before doing this mod, I relocated all my small positive and negative cables inside to common bus bars. Here is the original factory wiring on my Hull 218 (2000 watt inverter and four AGM batteries)A little messy:

211293002_IMG_0918Factorywiring.thumb.jpeg.6da627fb692bc44c3eb8fb09321a2f9e.jpeg

IMG_1210.thumb.jpeg.211e4e8a82a0118ecf45b261b2d1779e.jpeg

Here is my new lithium battery setup:

693990637_IMG_3600copy.thumb.JPG.6cff9a046df46f5f6eace9ea233eb8f6.JPG

Each battery has its own 175 amp terminal fuse block and two short, equal length 00 gauge cables that connect to Blue Sea Terminal Feed Through Connectors, rated for 250 amps each. Access to the posts is very easy with a full sized ratchet handle and socket, simply remove two nuts, pop off the cables and slide out the tray. There is room for a third battery, and the cables for it will be identical.

IMG_3587.thumb.JPG.a25a31990a25bbb44ff79866a96fa181.JPG

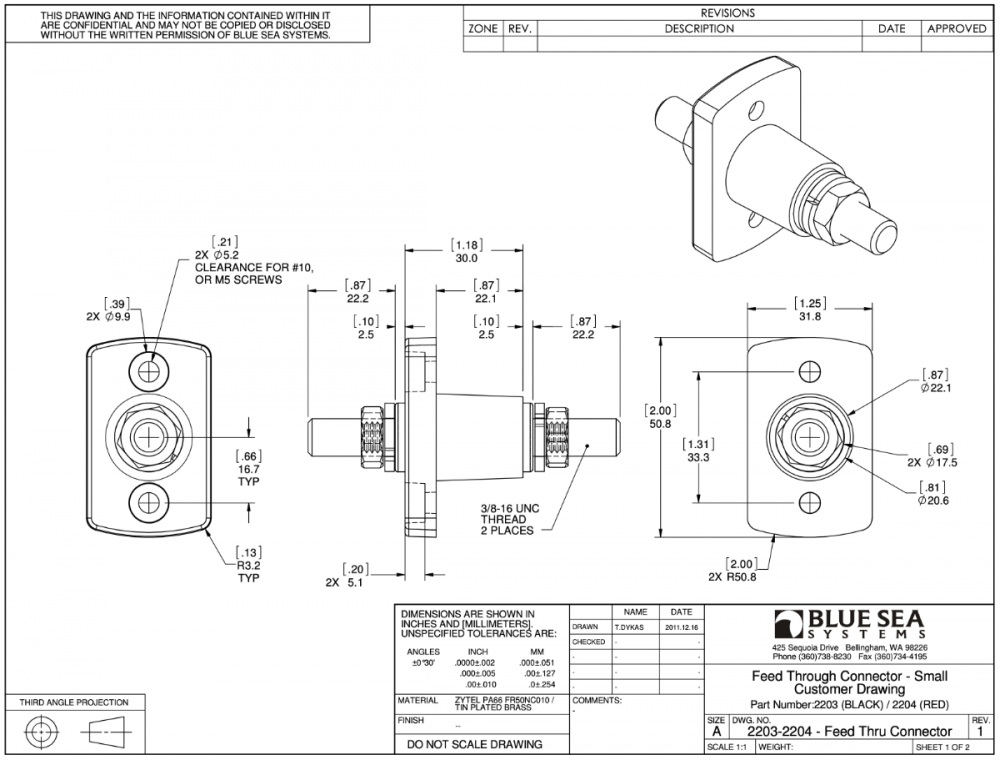
You need one of each color, with the 5/16" terminal stud. This matches the other terminal eyes in the wiring and batteries. prices vary wildly, shop around!

2107159314_AmazonBlueSeaSystemsTerminalFeedThroughConnector-.thumb.png.ff29003c95b16cd65dc84ab7aa0ad88c.png

 

Holes on the flange are sized for 5 mm screws, I used stainless socket head ones from Amazon, there are lots of sources.

533230931_BlueSeasPPFeedThrough.thumb.png.3720575cca8189e80d12a8d5f08d091c.png

First you need to get out all the old cables, that might be a little tricky, since the access is very limited in the "slots" between the battery box and the surrounding inner cabin wall. You can get one arm up there, but it is really awkward and itchy from the fiberglass dust. You can do this from inside the box:

IMG_2744.thumb.jpeg.079c7fd4067bcdf1f1f9fcd11e041ecf.jpeg

IMG_1211.thumb.jpeg.713663a33995b60ac2ad9f07534946e9.jpeg

IMG_1218.thumb.jpeg.4835107ecf89f8bffc439aae8f669f3a.jpeg

Remove all the cables, you can leave one of the small wire glands in place if you need to run an extra wire there, such as a temperature sensor or a power wire for a battery monitor smart shunt. Cover the open holes with aluminum tape if you like, or leave them as-is for some ventilation (lithium batteries ONLY)

More....

John Davies

Spokane WA

 

 

Edited by John E Davies
  • Thanks 2
  • Like 2

SOLD 07/23 "Mouse":  2017 Legacy Elite II Two Beds, Hull Number 218, See my HOW TO threads: 

Tow Vehicle: 2013 Land Cruiser 200, 32” LT tires, airbags, Safari snorkel, Maggiolina Grand Tour 360 Carbon RTT.

Oliver Travel Trailer for Sale
Find Oliver Travel Trailers for Sale
New Travel Trailers for Sale
Posted (edited)

Since access is difficult, I chose to make two backing plates from aluminum 6061 T6 with 5 mm threaded inserts. That allowed me to install the posts by myself; if you have a helper, you can use self locking nuts and flat washers instead.

IMG_3155.thumb.jpeg.18b84b4deeaac07131cdc9c6aaf9632f.jpeg

IMG_3179.thumb.jpeg.466091fa056cdfabf3a4151b62bcc431.jpeg

Locate the post positions as shown. Using a long bit (6" or more) drill the center pilot hole, it has to go all the way through the two walls and that big gap between them. Drill the two screw holes in the battery compartment wall only! Then drill the middle hole to 7/8".

IMG_3150.thumb.jpeg.b1b4dff23381081223fb8ff90d287715.jpeg

Inside the cabin, tape off the area around the pilot hole and drill a 2" hole . This hole is scary, since it will show with the seat cushions placed against the outside wall. It will be covered with a white plastic plug after finishing. Use a razor knife to cut and peel away the foil bubble insulation, do NOT leave it in place.The silver foil is conductive, so it should not be close to the positive cable. Sand the 2" hole smooth with coarse sandpaper (80 grit). 

IMG_3152.thumb.jpeg.902a906cacea6a06378d3faaf3d8a8ea.jpeg

If you are using nuts, get your helper and slide in the post from the battery box with the short post facing you, and secure it with screws. There should only be one or two threads extending past the nuts, or they will interfere with the cable terminal end. If you made backing plates, cut off a couple of long screws, thread them into the inserts and place it into the box. Place the post over them and then remove one. The other will serve as a grab handle so you can hold it while you get the other screw started. 

IMG_3351.thumb.JPG.b06bb9fb6c2c0a780ef446b5f82b4869.JPG

1334973503_IMG_3583copy.thumb.JPG.2052f281411fe9a20cf411df8a04a760.JPG

Repeat these steps for the other post.

Shorten the big cables as needed and attach them inside the big gaps, access is easy:

IMG_3370.thumb.JPG.08e204dd64152ec07c83ecc9019b14dd.JPG

Cover the holes with plugs. These work OK, but they have to be glued in place with clear silicone or they will fall out: ... 2" White Plastic Hole Plugs

If you are anal, make warning placards for the posts.

FYI I did not use any epoxy to bed the flanges, it could be added carefully, but I don't think it is needed. It would certainly strengthen the connection.

John Davies

Spokane WA

 

 

Edited by John E Davies
  • Thanks 2
  • Like 2

SOLD 07/23 "Mouse":  2017 Legacy Elite II Two Beds, Hull Number 218, See my HOW TO threads: 

Tow Vehicle: 2013 Land Cruiser 200, 32” LT tires, airbags, Safari snorkel, Maggiolina Grand Tour 360 Carbon RTT.

  • The title was changed to HOW TO: Battery feed through post installation, reduce the clutter in the battery box. Lithium batteries ONLY.
Posted

Thanks for the work JD - appreciate the effort - I may never go here - but I can always learn something - for the future needs.

RB

  • Like 1

Cindy,  Russell and  "Harley dog" . Home is our little farm near Winchester TN

2018 Oliver Legacy Elite II - 2018 GMC 2500 Duramax 

"Die young - As late as possible"
ALAZARCACOFLIDMTNVNMOKORTNTXUTWAWYd56201

 

 

 

 

Posted (edited)

Wow!  Another great project and post John.  This has all given me a lot of ideas if/when I eventually upgrade to the BattleBorn lithium batteries.  And at what point does Oliver just start sending all production trailers to you as an unfinished hull to have you finish the job for all customers to this high level of quality?  🙂

Edited by FrankC
  • Haha 2

 

 

Create an account or sign in to comment

You need to be a member in order to leave a comment

Create an account

Sign up for a new account in our community. It's easy!

Register a new account

Sign in

Already have an account? Sign in here.

Sign In Now
×
×
  • Create New...